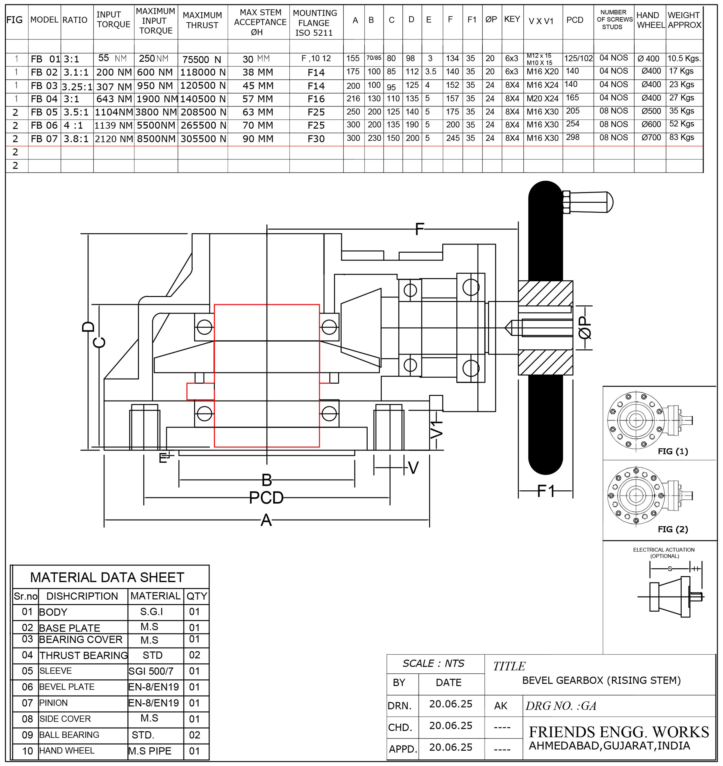
QUARTER TURN WORM GEAR BOXES (FB - SERIES)
The 'FB' series Quarter Turn Worm Gear Boxes are High Performance Gear Boxes used to operate Butterfly, Ball, Plug Valves & Dampers Manually.
PRODUCT DESCRIPTION :
- High Performance Gear Boxes by Robust Construction & Compact Design
- Meeting QUALITY, PERFORMANCE and DELIVERY.
- Torque range from 300 Nm to 8,500 Nm.
- Output travel - 0° to 90° (±5°)
- Self-locking Mechanism (Worm & Worm Wheel)
- Standard Version LR: Clockwise Input = Clockwise Output to Close
- IP-65 Enclosure
- Working Temperature - 20°C to +120°C
- Graded Cast Iron Housing and Worm Wheel in Ductile Iron
- High Tensile Fasteners
- High performance Bearing
- Sturdy Hand wheel for Easy and Smooth Operation
- Semi-Glossy Black Epoxy Paint as Standard
- Gear Boxes lubricated with Multi-purpose Grease
- Gear Box Mounting as per ISO 5211 Std.
- Types of Stem Cavity Processed: Round with keyway, Square, Double Dee Orientation.
FEATURES :
- Housing, Cover and Worm Wheel material also available in Ductile Iron/ Carbon Steel/ Stainless Steel/ Nickel Aluminium Bronze material or as required as optional.
- Worm and Shaft are also available in Stainless Steel, Aluminium Bronze (AB1/AB2) material as optional.
- Fasteners and Hand wheel also available in Stainless Steel as optional.
- Grease Nipple, Padlock Arrangement and Chain Wheel Arrangement also available as optional.
- Buried Service Gear Boxes with Extension Shaft Arrangement also available.
- IP-65 Enclosure available against requirement.
- Limit Switch Box Fitment Mounting also available.
- Gear Boxes for Low Temperature and High Temperature applications also available.
- Half Turn (180°) and Mulit-Turn (360°) operational gear boxes also available.
- RL - Version Optional.
